3端子toTPS7A33負電源変換基板


2013.05.05 皆さんから希望の多かった3端子toTPSのマイナス電源を作りました



3端子toTPS7A47基板が好評で是非負電源側も作ってほしいとのリクエストが多かったので
CADってみました。
プラス側よりICが高価なことと基板の枚数が圧倒的に少ないと予想されるので同じ価格では
出来そうにありません。


↓両面のアートワークイメージ。





2013.05.18 3端子toTPSのマイナス電源の動作を確認しました。





↓ありゃあ、INとGNDが逆さでした、79XXなんてめったに使いませんからね。基板は作り直しです。
足を入れ替えて動作確認OKでした、15Vの設定で15.2Vです、まあ良いでしょう。







2013.06.02 3端子toTPSのマイナス電源の試聴結果です。





3端子ToTPS基板の負側の音を試聴してみました。
やっぱり3端子よりずっと良いです。
クリアーで音の粒立ちが良くこれを聴いてしまうともう3端子レギュレータには戻れません。






2013.06.16 3端子toTPS33のマイナス電源の試作2回目動作確認結果です。









3端子toTPS33のマイナス電源の試作2回目の動作確認を終えました。
こちらはばっちり1発で動きました。
電圧も15.09と安定しています。



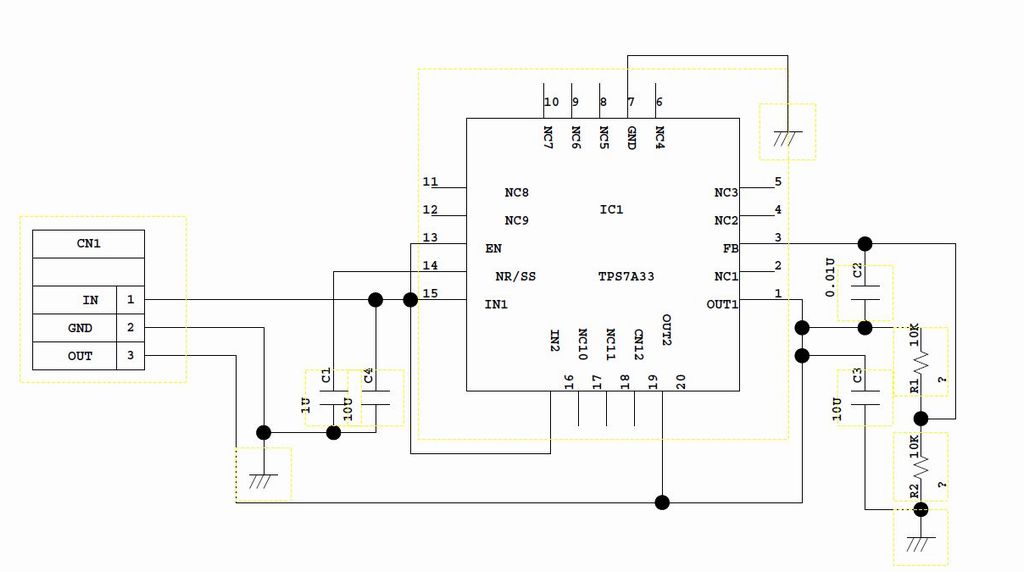
↓回路図です、図中1pinと2pinが逆さまです、基板は79xx互換ですので基板向かって左からGND、IN、OUTです。定数は下の計算用EXCELで求めて下さい。


回路図



↓計算用EXCELです。


計算用EXCELシート

抵抗から電圧を求める場合R1、R2を入れると電圧が出てきます。
電圧から抵抗を求める場合のは下のR2とVO(求めたい電圧)を入れるとR1が求まります。
その時のIr(uA)が5uAを超える様に設定します。
この例では15Vが欲しいのでR2を3.3Kとした場合R1は38.97kΩですので39kΩが使えます。




↓TPS7A33のデーターシートです。


TPS7A33のデーターシート



Home