TDA1541EPI


5月 21, 2006 TDA1541EPIの試作


TDA1541EPIの試作基板が送られてきたので早速作ってみました。 これを作るのは実は結構しんどいんです、急いで作って早く試作基板の動作を確かめないと本番用を待っている人の基板の入手が遅くなってしまうからです、その分やりがいがあるのでなんとか頑張るわけですね。 で、肝心な音の方ですが、かなり何ヶ月もかけてチューニングしたTDA1543EPIの方がバランスは良いです。とにかく確実に動作させることが先決でチューニングしていないのですから、しかしポテンシャルは高そう、これからが楽しみです。


やっぱり私の場合これをやらんといかんでしょう、ということでディスクリオペアンプ基板のツェナーをLEDにしてみました、定電圧部分を見ると何でも LEDにしてみたくなります、結果はかなり良いように思います、10Kで1.5mA流れるので普通に音は出ます、3KΩをパラって6.5mA流すと6V近くなってGOOです。これをやったのは1週間ほど前なので前の音を忘れてしまいました、ちょっと高域に癖が出るかもしれません。


6月 01, 2006 TDA1541EPIレポート


だいぶエージングが進んで良い音になってきました、このDACはI/V変換に使うOPAMPでかなりキャラクタが決まってしまう様です、PMIのOPA07を使った場合、低域の迫力は1541の方が上です、高域の分解能は1543EPIの方がまだここでは上手のようです。 この基板は今までのノウハウがかなり盛り込まれているのでチューニングするポイント自体は少ないかもしれませんが全ての面でこれまでのTDA1541DACを越えています。


6月 13, 2006 1541試聴レポート060613


1541EPIにディスクリートオペアンプ基板を投入してみました、なるほどこれはすごい、皆さんが言うだけのことはあります、中高域がぐーんと伸びて低域も適度に締まってきました。しかし若干まだ高域が曇りがちなのと低域がどーんと出るのですが、まだ少しゆるいです。そこで写真では見にくいですが、 OPAMP用の電源のコンデンサを手元にあった0.47uFのフィルムにしてみましたこれでかなり改善されます、本当は1543EPIの様に位相補正を入れる予定でしたがディスクリートオペアンプ基板大きいのでフィルムコンでさえ押し倒されています、こうなったら裏に寝かせて位相補正を入れるしかないな。


6月 15, 2006 TDA1541チューニング情報060614高域補正


きたー!やっぱこれだ、中高域のベールがスッパーンと取れました、1543で高域補正をやった時、コンデンサの容量をずいぶん吟味して決めたあの音になりました。これを思いついた龍一さんはさすがです。追加工自体は昨日やっておいたので先ほどから音出ししてみました、0.47uFを直に入れると大きすぎた様です、ディスクリートオペアンプの持ち味を出すにはこれだろうと思います。1543EPIで良かったことは最初から盛り込もうと思ったのですが、どの基板の場合もとりあえず普通に作ってから(設計者の意図を汲むのと動作優先)いじるのが好きなので少しずつやります。


6月 23, 2006 TDA1541チューニング情報060623位相補正2


1541の-15Vに位相補正を入れてみました、±15Vに入れた時と同じ方向で良くなります、高域の伸びと透明感がUPします、変化度はそれほど大きくありません、OPAMPの±15Vに位相補正をやったときの変化の方が大きいです。やはり2SA1285Aと2SC3245Aの良さを引き出すには良い方法だと思います。手前のMKTの0.47uFではなく奥の青いコンデンサと抵抗(2Ω)のところです。


6月 24, 2006 TDA1541チューニング情報060624位相補正3


1541の±5Vに位相補正を入れてみました、ここは今までの効果と違う効き方をします、これまでは1543EPIをはじめ高域方向の伸びと情報量に効果がありましたが、ここは中域の厚みが増します、はじめは悪くなったように思い、単なるフィルムコン等にしてみました何度かやっているうちに結局ここにも位相補正を入れることにしました、ここはあまり効きません、まあやっとこうかってところです。


7月 12, 2006 TDA1541EPIチューニング情報060712:Rコア対トロイダル


1541EPIの±15V系をRA40のRコアからトロイダルに変更してみました。Rコアトランスに比べて低域の重心がぐーんと下がってくるのが特徴です、全体に音が生き生きして音量が上がったみたいに聴こえます、トロイダルの2次側の巻き線方向を逆さにつないで見ました、さらに元気のある音になって重心はますます低く、ウッドベースの弦を弾く音やバスドラの歯切れの良さがくっきりしてきました、これはかなり良いですところで自作をしていて「トランスの 2次側の極性を合わせる」といのをあまり耳にしたことがないのですが、やっぱ常識なんでしょうか、1次側つまりコンセントの向きで音が大きく変化するのは良く知られていますね、私は1次側を合わせたら2次側も比較試聴して合わせます、巻きはじめがトンランスに明記してある場合もありますが結構いい加減だったりします。巻き線の向きが合っていると全体に元気のある音になります、低域の重心が下がるのも極性が合っている場合の特徴です、反対にもっさしたとか柔らかいという音になったらそれは反対です。さて、次回は±5Vと+5Vもトロイダルトランスに置き換えです。


7月 16, 2006 TDA1541EPIチューニング情報トロイダル2


+5Vをトロイダルトランスにしてみました、これは±15V系をトロイダルにした場合と同じ傾向で上も下も情報量が増えます、そして低域は太く張りがある音になりました、±15V系が変化大だとするとこちらは変化中です、最後に±5Vをトロイダルにしてみました、変化の程度は小さいですが解像度がさらに上がりレンジが広がった音になります。3電源をトロイダルトランスにした結果は久々の大ヒットです、かなり良いです。ちなみに使用したトランスは以下です。 15V:RS品番 278-6936 5V:2個必要です、デジタルの5Vは電流が厳しいので巻き線を2つパラにして使います。RS品番 278-6885


7月 22, 2006 TDA1541チューニング情報060722位相補正4


今回はデジタル段の電源出力部についているOSコン(C50)を位相補正に置き換えてみました。結果はかなり変化大です、中高域の曇りが取れて低域はたっぷり出ていて締まっている感じになりました、全体的に躍動感のある音になりました。今回は手元に2Ωが無かったので1.2Ω+0.033uにしました、他より電流が流れるので抵抗を低めにしました。


8月 04, 2006 TDA1541チューニング情報060803電源の改造


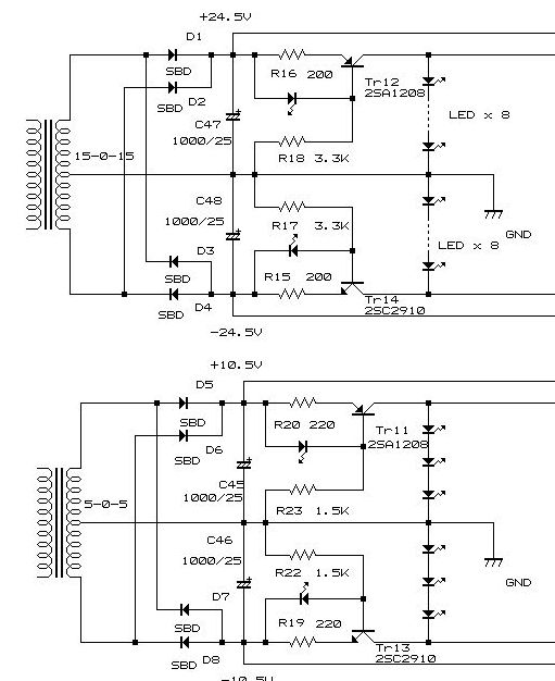
現在の定数はある程度電圧の違うトランスが繋がれても安定して動作することを優先して各LEDに7〜8mA流すように決めています、LEDに流す電流が多ければ多いほどノイズが発生してしまうからです、本来10mAや20mA流してはじめて定格通りの順方向電圧が得られるLEDですが、7〜8mA流してやればほぼVfに近い安定した部分が使えます、いつか自分用に極限まで電流を削ろうと思っていました、私が使っているトロイダルトランスでは−15Vが負荷的に厳しいのでここは3KΩを10%増やして3.3KΩに±5Vは最も負荷が軽いので50%増しの1.5kΩでLUCYさんに試して頂きました人柱ありがとうございました、結果が良かったようでなによりです。 では、どこまで減らせるのか、本当はLEDがうっすら点る程度が良いのです、私が↓で紹介したLEDの場合http://photos1.blogger.com/hello/224/7596/1024/LED.jpg 極端な例ですがR17、R18を10KΩにして定電流のLEDに1.7mA流してやれば15Vが14.8Vになってなんとか動きます、もっとも定電流の LEDに流す電流だけを減らしても基準電圧を作っているLEDには依然として7mA近い電流が流れてしまうのでR15、R16を200Ωより大きな値にしたいところです、両方のバランス点を探している最中なのでもうしばらくお待ち下さい。±5V系のR22、R23は私の使っているLEDと同じ物なら 1.5Kまでは大丈夫ですしR19、R20は220Ωまでは確認しています、こちらもバランスの良い抵抗値を探っています。デジタル系の5Vは桁違いに電流を食うのでまだ手を付けていません、上記の方法でLEDに流す電流を絞るとテスターで測るDCは十分出ていてもリップルが残ってしまうのでオシロでリップル分を測定しながら決める必要があるので闇雲に抵抗値を上げないようにしてください。文章だけだと分かりにくいので回路図を追加しました。


8月 12, 2006 LEDとツェナー


LUCYさんに出された宿題その2.ツェナーをLEDにしてじっくり評価しました、変化度合いはそれほど大きくはありません。使ったのは Vfmax4.2VのLED、抵抗を1.8kにしてどうにか6.1V出ました、音は高域方向が伸びます、またそれに負けない低音が出ます、これまでヘッドフォンの中でしか聴いたことがなかった楽器がちゃんと聞こえるようになりました、ここはツェナーをやめてLEDに決めました。これまでにいつも使っている緑のLEDと青LEDを組み合わせて抵抗を10kのままで実験したりしましたがVfの高いLEDで抵抗値は2k前後に落ち着きました。このLEDに電流を供給する抵抗の種類で大きく音が変わります、ちなみに私が使用したのはフィリップスの水色で評価しました、抵抗値を下げすぎると高域がザリザリします、わたしは2kくらいがちょうど良いと思います。


8月 26, 2006 TDA1541EPI LED電源のチューニング


LUCYさんからいただいた宿題その1です、LEDに流す電流を絞って音質の変化に関して実験しました。各抵抗値はめんどくさいので全部ほぼ倍の値にしました。±15V系の定電流LEDを点灯させている抵抗(R15、R16)を3KΩから6.8KΩ±15V系の基準電圧を作っているLEDに流す電流を決める抵抗(R15、R16)を200Ωから390Ωにしました。±5V系はR22、R23を1KΩから3KΩに、R19、R20を200Ωから390Ωにその結果、15V系が14.85Vから14.45Vまで下がってしまいました、この時点での音は高域方向の伸びは悪くなりますが低域はどーんと出てきます。そこで電圧が下がってしまったことに対応するため、8個のLEDのうち1個を以前紹介したVFの高い緑にしました、この時点での電圧は15.40V音は低域の量感はそのままに高域の伸びが戻ってきてすばらしいバランスになりました。


8月 26, 2006 TDA1541EPI LED電源のチューニング


LUCYさんからいただいた宿題その1です、LEDに流す電流を絞って音質の変化に関して実験しました。各抵抗値はめんどくさいので全部ほぼ倍の値にしました。±15V系の定電流LEDを点灯させている抵抗(R15、R16)を3KΩから6.8KΩ±15V系の基準電圧を作っているLEDに流す電流を決める抵抗(R15、R16)を200Ωから390Ωにしました。±5V系はR22、R23を1KΩから3KΩに、R19、R20を200Ωから390Ωにその結果、15V系が14.85Vから14.45Vまで下がってしまいました、この時点での音は高域方向の伸びは悪くなりますが低域はどーんと出てきます。そこで電圧が下がってしまったことに対応するため、8個のLEDのうち1個を以前紹介したVFの高い緑にしました、この時点での電圧は15.40V音は低域の量感はそのままに高域の伸びが戻ってきてすばらしいバランスになりました。



Home